產品類別:振動篩分機
產品簡介:霧化鐵粉振動篩分機主要用于對鐵粉的篩選分級,霧化鐵粉振動篩適合于粉末冶金的原料過濾與篩分,對鐵粉來說,從粒度上來分,習慣上分為粗粉、中等粉、細粉、微細粉和超細粉五個等級,一般采用80目、120目、200目過濾。
免費獲取報價
全國統一銷售熱線0373-268 2333
霧化鐵粉振動篩分機的選型:
霧化鐵粉是熔融鐵或鐵合金用高壓水霧化生產的,是鐵粉的新品種,由于生產過程中沒有混進雜質,相對純凈,而且霧化法產生的球形顆粒,符合緊密堆積原理,是壓制機械零件的好原料,因此,相對價格較高.
霧化鐵粉振動篩分機主要用于對鐵粉的篩選分級,霧化鐵粉振動篩適合于粉末冶金的原料過濾與篩分,對鐵粉來說,從粒度上來分,習慣上分為粗粉、中等粉、細粉、微細粉和超細粉五個等級,一般采用80目、120目、200目過濾。粒度為150~500μm范圍內的顆粒組成的鐵粉為粗粉,粒度在44~150μm為中等粉,10~44μm的為細粉,0.5~10μm的為極細粉,小于0.5μm的為超細粉。一般將能通過325目標準篩即粒度小于44μm的粉末稱為亞篩粉。 振動篩是對鐵粉進行的是粗級篩分,建議選擇DH旋振篩(也稱三次元振動篩),進行高精度分級則可以使氣流分級機。
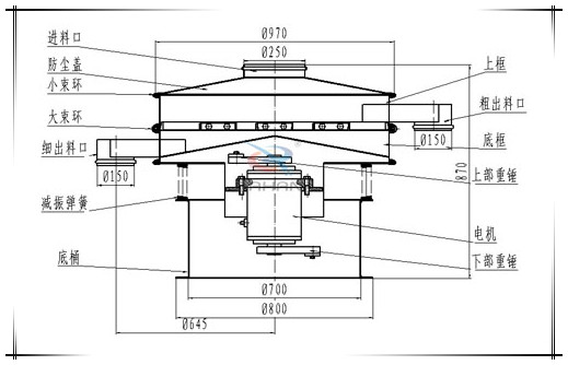
霧化鐵粉振動篩分機工作原理 霧化鐵粉振動篩分機,由直立式電機作激振源,電機上、下兩端安裝有偏心重錘,將電機的旋轉運動轉變為水平、垂直、傾斜的三次元運動,再把這個運動傳遞給篩面。調節上、下端的相位角,可以改變物料在篩面上的運動軌跡。
霧化鐵粉振動篩分機細節圖:
霧化鐵粉振動篩分機技術參數:
霧化鐵粉振動篩分機特點 1、效率高、設計精巧耐用,粉類、粘液均可篩分。 2、換網容易、操作簡單、清洗方便。 3、網孔不堵塞、粉末不飛揚、可篩至500目或0.028mm。 4、雜質粗料自動排出,可以連接作業。 5、獨特網架設計,篩網使用時間長久,換網快,只需3-5分鐘。 6、體積小,節省空間、移動方便。 7、篩網高可以達到五層。
霧化鐵粉振動篩分機適用的行業: 化工行業:樹脂、涂料、工業藥品、化妝品、油漆、中藥粉等。 食品行業:糖粉、淀粉、食鹽、米粉、奶粉、豆漿、蛋粉、醬油、果汁等。 金屬、冶金礦業:鋁粉、鉛粉、銅粉、礦石、合金粉、焊條粉末、二氧化錳、電解銅粉、電磁性材料、研磨粉、耐火材料、高嶺土、石灰、氧化鋁、重質碳酸鈣、石英砂等。 公害處理:廢油、廢水、染整廢水、助劑、活性碳等。
電話:0373-268 2333
手機:15836198876(微信同號)
地址:延津縣森林公園大門西1000米
在線咨詢
Copyright ©right 2007-2020 新鄉市大漢振動機械有限公司 All Rights Reserved 版權所有
備案號:豫ICP備09002479號-7